-
详细信息
一、产品概述
1.用途
作为通电延时动作的元件,用于交流或直流保护和自动控制装置中,使被控元件得到所需延时。
2.安装结构
导轨安装E,导轨安装9两种结构方式,具体尺寸请参考外型尺寸图。
3.特点
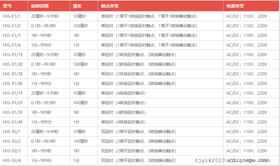
(1).采用拨盘设定 (2).延时范围20毫秒~9.99秒,0.1秒~99.9秒,1秒~999秒,1分钟~999分钟;
(3).采用高稳定石英晶体振荡器;(4).继电器动作后,利用触点自保持,继电器触点无抖动,抗干扰
能力强。
二、继电器型号分类及含义
三、主要技术参数
(1).延时范围:由三位拔盘设定,20毫秒~9.99秒,0.1秒~99.9秒,1秒~999秒,1分钟~999分钟。
(2).延时误差:在基准条件下,任意延时整定值的延时误差不大于整定值的0.1%+10ms。
(3).动作值:不大于75%额定值。
(4).返回值:不小于10%额定值。
(5).额定电压:220VDC、110VDC、220VAC、110VAC。
(6).触点性能:在250VDCτ=5ms,可断开50W直流有感负载;
在250VACCOS中=0.4,可断开250VA交流负载,可长期接通5A电流
(7).电寿命:10万次,功耗:不大于5W。
(8).机械寿命:100万次。
(9).绝缘电阻:用开路电压500V的兆欧表测量继电器外壳与外露带电端子之间,绝缘电阻大于300M2。
(10).介质强度:继电器外壳与外露带电端子之间,能承受2KV(有效值)50Hz试验电压,历时1分钟不击穿,无闪络现象。
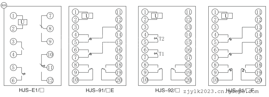
四、产品接线图
五、外形尺寸图
-
扫一扫,手机浏览





